
Каждому охотнику наверняка приходилось стрелять из пневматического оружия калибром 4,5 мм, используя для этого пулю "Диаболо", известную уже более 150 лет.Около двадцати лет назад С.С. Лопаткин попытался приспособить увеличенную пулю "Диаболо" для стрельбы из гладкоствольного охотничьего ружья. В 1993 г. был получен патент № 2070 на пулю "Диаболо", снаряжаемую в патрон для стрельбы из гладкоствольных охотничьих ружей.
![]() |
| Рис.1.Схема пулелейки |
Более чем двадцатилетний опыт использования пуль "Диаболо" на охоте на кабана, оленя, лося, медведя свидетельствует о том, что пуля не теряет геометрическую форму в канале ствола при выстреле, обладает высоким останавливающим действием, абсолютно безопасна для стрельбы в качестве калиберной пули из охотничьих гладкоствольных ружей, с дульными сужениями каналов стволов. А при cтрельбе такой пулей точность боя — стабильна. Самостоятельно изготовить пулю "Диаболо" совсем не сложно. Прежде всего, необходимо сделать пулелейку, при этом следует учитывать, что диаметр (D) пули по центрирующему пояску должен быть на 0,1 мм меньше, чем диаметр канала ствола, а диаметр (d) тела пули — на 1–1,5 мм меньше максимального дульного сужения стволов ружья.
На рис. 1 представлена упрощенная схема конструкции пулелейки: 1) основание; 2,3) части разъемного корпуса; 4) крышка.
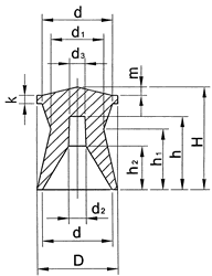
Если диаметр канала ствола вашего ружья отличается от приведенного в таблице, то габариты пули можно рассчитать самостоятельно, взяв за основу диаметр пули по центрирующему пояску и пропорционально изменив все ее габариты. (рис. 2). Иногда "играют" только размером центрирующего пояска, как это показано в таблице для пули 12 калибра.
![]() |
| Рис.2.Размеры пули "Диаболо" |
Центрирующий поясок пули по диаметру можно сделать зубчатым. Однако следует заметить, что пуля со сплошным цилиндрическим центрирующим пояском, по сравнению с зубчатым, отличается лучшим балансом, дает более резкий и точный бой, да и пулелейку для нее сделать гораздо легче.
Для изготовления пуль рекомендуется использовать сплав, содержащий 2–4 % сурьмы, 4–8 % олова, а остальное — свинец. Подойдут отработанные пластины аккумулятора, но содержание сурьмы в этом случае может достигать 6–11 %, что не допустимо. Поэтому, если нет сурьмы, к аккумуляторным пластинам прибегают лишь для получения сплава, содержащего одну весовую часть отдельно переплавленных аккумуляторных пластин и две — чистого свинца.
Перед началом работы детали пулелейки следует нагреть до температуры 100–120° С. Работу рекомендуется выполнять в теплоизоляционных перчатках, защитных очках, соблюдая правила безопасности, в том числе и пожарной.
Качество поверхности пули и заполняемость полости пулелейки можно улучшить, предварительно закоптив над пламенем свечи или спички все внутренние поверхности пулелейки. После затвердевания отливки пули пулелейка легче разбирается, если постучать ее основанием по металлическому массивному предмету (наковальне). Литниковый остаток на отливке пули следует удалить ножом либо бокорезами и место среза зачистить напильником.
![]() |
| Рис.3.Патрон,снаряженный пулей"Диаболо" |
При снаряжении патронов пулями "Диаболо" (рис.3) рекомендуется брать: — пластмассовую или бумажную гильзу (1); — капсюль "Жевело" (2); — порох "Сокол" (3), используя патроны летом, массу пороха, которая указана в инструкции или на банке и является максимальной для данной партии, следует уменьшить на 0,2 г, а зимой — на 0,1 г; — картонную (плотную) прокладку (4), толщиной 2,5–3 мм, диаметр которой должен на 0,1 мм превышать внутренний диаметр гильзы; — войлочный осаленный пыж (5), толщиной 13–15 мм; — добавочный войлочный пыж (6) необходимой толщины (пыж разрезают накрест, складывают по линиям разреза и вставляют в гильзу); — картонную прокладку из рыхлого картона (7), толщиной 0,3–0,5 мм; — пулю (9), повернутую хвостовиком вверх, полость которого заполнена сухими, мелкими древесными опилками (8), и хорошо уплотненными. Опилки, просеянные через дуршлаг, являются амортизатором при выстреле и не дают "влипать" пыжу в хвостовик пули. Заливать полость хвостовика парафином (воском) не рекомендуется, поскольку парафин при выстреле выкрашивается неравномерно и пуля теряет свой баланс. Для того чтобы при снаряжении патрона опилки не высыпались, пулю следует держать хвостовиком вверх, гильзу надевать сверху до упора хвостовика в прокладку (7). Дульце гильзы завальцовывают закруткой.
Авторы статьи готовы ответить на все интересующие читателей журнала "Зброя та Полювання" вопросы относительно пуль "Диаболо".
Желаем удачной охоты
| Калибр ружья | Диаметр канала ствола, мм | Размеры пули, мм | Масса пули, г | ||||||||||
| D | d | d1 | d2 | d3 | H | h | h1 | h2 | k | m | |||
| 12 | 18,5 | 18,4 | 16,0 | 12,0 | 4,0 | 3,5 | 24,0 | 17,0 | 14,0 | 10,0 | 2,0 | 2,0 | 35,0 |
| 18,2 | 18,1 | ||||||||||||
| 16 | 17,0 | 16,9 | 14,7 | 11,0 | 3,7 | 3,2 | 22,0 | 15,6 | 12,9 | 9,2 | 1,8 | 1,8 | 29,5 |
| 20 | 15,5 | 15,4 | 13,4 | 10,0 | 3,3 | 2,9 | 20,1 | 14,2 | 11,7 | 8,4 | 1,7 | 1,7 | 24,5 |
| 24 | 14,7 | 14,6 | 12,7 | 9,5 | 3,2 | 2,8 | 19,0 | 13,5 | 11,1 | 7,9 | 1,6 | 1,6 | 22,0 |
| 28 | 14,0 | 13,9 | 12,1 | 9,1 | 3,0 | 2,6 | 18,1 | 12,8 | 10,6 | 7,6 | 1,5 | 1,5 | 20,0 |
| 32 | 12,5 | 12,4 | 10,8 | 8,1 | 2,7 | 2,4 | 16,2 | 11,5 | 9,4 | 6,7 | 1,3 | 15,9 | |